电阻应变式测力传感器是利用电阻应变片将应变转换为电阻变化的传感器,是目前测量力、力矩、压力、加速度、重量等参数应用最广泛的传感器。
电阻应变式测力传感器应变片贴在弹性体(敏感元件)上,当受外力作用后弹性体产生应变,从而引起应变计电阻值的变化,相应的惠斯顿电桥在外接电源的激励下产生毫伏级的电信号,经过仪表信号放大显示处理后就可以得到由载荷产生的负荷值。如下图:
1、电阻应变计结构及形式
应变式测力传感器的核心元件是电阻应变计(应变片)。电阻应变计一般由敏感栅、引线、基底和盖层组成(如下图)。

电阻应变片有多种形式,常用的有丝式和箔式。它是由直径为0.02~0.05mm的康铜丝或者镍铬丝绕成栅状(或用很薄的金属箔腐蚀成栅状)夹在两层绝缘薄片(基底)中制成,用镀锡铜线与应变片丝栅连接作为应变片引线,用来连接测量导线。

2、电阻应变效应
当金属丝在外力作用下发生机械变形时,其电阻值将发生变化,这种效应称为电阻应变效应。

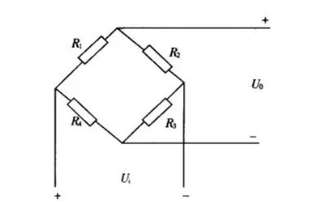
电阻应变片的测量电路
为了将电阻应变式传感器的电阻变化转换成电压或电流信号,在应用中一般采用惠斯顿电桥电路作为其测量电路。
基本电路如下图所示

柱式力传感器结构图中显示了柱式传感器的弹性体的横截面。左图适用于受压型负荷,右图通过与其连接的螺纹杆能承受拉伸和压缩的负荷。在黏贴应变片的地方,柱子的横截面减小,由此产生足够大地应变,从而获得准确的结果。整个弹性体的变形量很小。


轮辐式测力传感器由轮圈、轮轱、轮辐条和应变片组成。轮辐条成对且对称地连接轮圈和轮轱,当外力作用在轮轱上端面和轮轱下端面时,矩形辐条就产生平行四边形变形,引起与中性轴成45度方向的相互垂直的两个正负正应力,把应变片贴到与切应力成45度的位置上,通过测量拉应力或压应力值就可知切应力值的大小。
轮辐式拉压力传感器最突出的优点是抗过载能力强,能承受几倍于额定量程的过载。此外,其抗偏心、抗侧向力的能力也较强。

传感器采用S型梁结构,拉、压均可使用,具有输称性好,测量精高的特点。

总之,电阻应变式测力传感器的工作原理是基于材料的应变原理而实现的一种用于测量力的装置,它能够将力转换成电信号输出,并将其传递到外部设备进行处理和显示。测力传感器可以广泛应用于工矿、冶金、重型机械、航空航天、科研等领域,是现代工业生产不可缺少的重要仪器。