在工业应用中,称重是一个很常用的功能,上海狄佳称重测力传感器实际上是一种将质量或者力信号转变为可测量的电信号输出装置,因其灵敏度和精度的要求较高。所以当使用不当时,造成测量不准确会影响咱们工业应用中的生产。今天我们学习一下它的接线和注意事项!
► 一、称重测力传感器的接线:
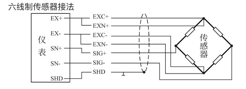
称重测力传感器的接线一般有两种:一种是六线制传感器接法,一种是四线制传感器接法。四线制传感器有四根不同颜色的引线,一组电源线,一组信号线,还有一根屏蔽线。

六线制传感器有六根不同颜色的引线,一组电源线,一组信号线,一组反馈信号线和一根屏蔽线。

► 二、注意事项:
如果遇到仪表端子是接四线制称重测力传感器的,而称重测力传感器是六线制引线的,这时就可以把电源线(EXC-,EXC+)与反馈线(SEN-,SEN+)分别短接了。SEN+和SEN-是补偿线路电阻用的。SEN+和EXC+是通路的,SEN-和EXC-是通路的。信号线接线不变,这样就可以满足要求了。当然,仅限于称重传感器与称重模块距离较近,电压损耗非常小的场合,否则测量存在误差。