

产品名称: 日本NTS称重测力传感器 LCX
特点和用途:高精度,偏载能力强,具有优良的稳定性,并具有坚固的结构,疲劳寿命长,广泛应用于疲劳试验机材料试验机。
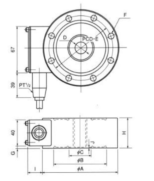
外形尺寸:

|
型式 |
定格容量 |
φA |
φB |
φC |
D(2級ネジ) |
E |
F |
G |
H |
I |
J |
質量 |
|
LCX-5KN |
5kN |
118 |
82 |
36 |
M18 P1.5 |
100 |
8-φ9 |
3 |
46 |
25 |
1 |
3.2 |
|
LCX-10KN |
10kN |
118 |
82 |
36 |
M18 P1.5 |
100 |
8-φ9 |
3 |
46 |
25 |
1 |
3.2 |
|
LCX-20KN |
20kN |
118 |
82 |
36 |
M18 P1.5 |
100 |
8-φ9 |
3 |
46 |
25 |
1 |
3.2 |
|
LCX-50KN |
50kN |
118 |
82 |
36 |
M18 P1.5 |
100 |
8-φ9 |
3 |
46 |
25 |
1 |
3.2 |
|
LCX-100KN |
100kN |
138 |
94 |
48 |
M24 P2 |
116 |
8-φ11 |
5 |
50 |
25 |
1 |
5 |
|
LCX-200KN |
200kN |
182 |
126 |
76 |
M39 P2 |
154 |
8-φ14 |
10 |
60 |
28 |
1 |
9.65 |
|
LCX-500KN |
500kN |
226 |
153 |
92 |
M50 P2 |
190 |
12-φ18 |
25 |
90 |
28 |
1 |
21.5 |
|
LCX-1000KN |
1000kN |
310 |
200 |
138 |
M76 P3 |
256 |
8-φ26 |
35 |
110 |
28 |
2 |
60 |
|
LCX-2000KN |
2000kN |
376 |
252 |
180 |
M100 P3 |
314 |
12-φ26 |
35 |
150 |
28 |
2 |
95 |
技术参数:
|
额定荷载 Rated Load |
0~5KN、10KN、20KN、50KN、100KN、200KN、500KN 、1000KN、2000KN |
|
输出灵敏度 Output Sensitivity |
mV / V |
|
非直线性 Non-linearity |
0.05 % F.S. |
|
推荐激励电压Recommended excitation voltage |
5~10 V DC/AC |
|
最大激励电压 Max voltage |
15V DC/AC |
|
重复性 Repetitiveness |
0.03 % F.S. |
|
零点输出 Zero Output |
±0.1 % F.S. |
|
滞后 Hysteresis |
0.05% F.S. |
|
蠕变(30分钟) Creep(30min) |
0.05% F.S. |
|
温度灵敏度漂移 TC SANP |
0.01% F.S. / ºC |
|
零点温度漂移 TCO |
0.01 % F.S. / ºC |
|
输入阻抗 Input Impedence |
380 ±10Ω |
|
输出阻抗 Output Impedence |
350 ± 10Ω |
|
绝缘电阻 Insulation Resistance |
≥2000MΩ/50V DC |
|
温度补偿范围Temperature Compensation Range |
- 10ºC ~ 60 ºC |
|
工作温度范围Operating Temperature Range |
- 20 ºC~ 80 ºC |
|
安全过载 Safety Overload |
120 % F.S. |
|
极限过载 Limit Overload |
150 % F.S. |
|
电缆尺寸Cable Size |
4芯屏蔽电缆 Φ 2mm× 2000mm |
|
疲劳Tired |
1000 000回 |