欢迎访问上海狄佳传感科技有限公司官方网站!
上海狄佳传感科技有限公司
021-20968141
Shanghai Di Jia Sensing Technology Co., Ltd
整站搜索:
……
产品详细信息
您所在的位置:
产品中心
PRODUCTS
诚信经营的一贯宗旨!知客户之所需,供客户之所求,急客户之所想!同样的产品我们的质量更优,同样的质量我们的价格更低,同样的价格我们的服务更好。
日本NTS力传感器LRL

日本NTS力传感器LRL

0.00
0.00
  

产品名称: 日本NTS称重测力传感器 LRL

 

特点和用途:拉压负荷剪切型称重测力传感器,高精度,抗偏载能力强,多用于反复荷载试验及抗疲劳试验

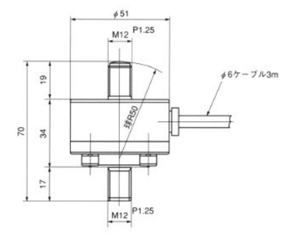
外形尺寸:


技术参数:

额定荷载 Rated Load

0~ 500N / 1KN / 2KN / 5KN / 10KN 

输出灵敏度 

Output Sensitivity

 2.0mV / V 

非直线性

 Non-linearity

0.15 % F.S. 

推荐激励电压Recommended excitation voltage

5~10 V  DC/AC 

最大激励电压

Max voltage

15V  DC/AC 

重复性

Repetitiveness

0.1 % F.S. 

零点输出

Zero Output

±0.1 % F.S. 

滞后 Hysteresis

0.15% F.S. 

蠕变30分钟

Creep(30min

0.15% F.S. 

温度灵敏度漂移

TC SANP

0.05% F.S. / ºC 

零点温度漂移 TCO

0.05 % F.S. / ºC 

输入阻抗

Input Impedence

380 ±10Ω 

输出阻抗

Output Impedence

350 ± 10Ω 

绝缘电阻

Insulation Resistance

2000MΩ/50V DC 

温度补偿范围Temperature Compensation Range

- 10ºC ~ 60 ºC 

工作温度范围Operating Temperature Range

- 20 ºC~ 80 ºC 

安全过载

Safety Overload

120 % F.S. 

极限过载

Limit Overload

150 % F.S. 

电缆尺寸Cable Size

4屏蔽电缆 Φ 6mm×3000mm 

疲劳Tired

1000 000回