

产品名称: 日本NTS静态扭矩传感器 TCF
特点和用途:日本 NTS 扭力传感器 TCF,日本 NTS 扭矩传感器TCF,非动态检测,适合各种静态非旋转扭力检测,主要应用于汽车零部件的扭力,电动螺丝刀的扭力,机器人扭力检测等等。
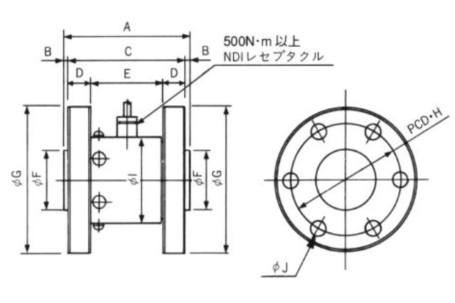
外形尺寸:

|
型式 |
定格容量 |
A |
B |
C |
D |
E |
φF |
φG |
H |
I |
φJ |
質量 |
|
TCF-0.2N |
0.2N・m |
61 |
3 |
55 |
5 |
45 |
20 |
48 |
38 |
26 |
2×4-4.5 |
0.32 |
|
TCF-0.5N |
0.5N・m |
61 |
3 |
55 |
5 |
45 |
20 |
48 |
38 |
26 |
2×4-4.5 |
0.32 |
|
TCF-1N |
1N・m |
61 |
3 |
55 |
10 |
35 |
40 |
80 |
66 |
48 |
2×4-6.5 |
1.2 |
|
TCF-2N |
2N・m |
61 |
3 |
55 |
10 |
35 |
40 |
80 |
66 |
48 |
2×4-6.5 |
1.2 |
|
TCF-5N |
5N・m |
61 |
3 |
55 |
10 |
35 |
40 |
80 |
66 |
48 |
2×4-6.5 |
1.2 |
|
TCF-10N |
10N・m |
61 |
3 |
55 |
10 |
35 |
40 |
80 |
66 |
48 |
2×4-6.5 |
1.2 |
|
TCF-20N |
20N・m |
61 |
3 |
55 |
10 |
35 |
40 |
80 |
66 |
48 |
2×4-6.5 |
1.2 |
|
TCF-50N |
50N・m |
61 |
3 |
55 |
10 |
35 |
40 |
80 |
66 |
48 |
2×4-6.5 |
1.2 |
|
TCF-100N |
100N・m |
61 |
3 |
55 |
10 |
35 |
40 |
80 |
66 |
48 |
2×4-6.5 |
1.3 |
|
TCF-200N |
200N・m |
86 |
3 |
80 |
15 |
50 |
40 |
98 |
78 |
58 |
2×6-10.5 |
2.2 |
|
TCF-500N |
500N・m |
130 |
5 |
120 |
20 |
80 |
60 |
118 |
95 |
58 |
2×6-10.5 |
4.6 |
|
TCF-1000N |
1000N・m |
136 |
3 |
130 |
20 |
90 |
60 |
146 |
115 |
75 |
2×6-14 |
6.6 |
|
TCF-2000N |
2000N・m |
146 |
3 |
140 |
25 |
90 |
60 |
166 |
130 |
88 |
2×8-18 |
10.1 |
|
TCF-5000N |
5000N・m |
176 |
3 |
170 |
35 |
100 |
60 |
197 |
155 |
98 |
2×12-17 |
18.0 |
技术参数:
|
额定荷载 Rated Load |
0~0.2Nm / 0.5Nm / 1Nm / 2Nm / 5Nm / 10Nm / 20Nm / 50Nm / |
|
输出灵敏度 Output Sensitivity |
1.0mV / V |
|
非直线性 Non-linearity |
0.3 % F.S. |
|
推荐激励电压Recommended excitation voltage |
5~10 V DC/AC |
|
最大激励电压 Max voltage |
15V DC/AC |
|
重复性 Repetitiveness |
0.2% F.S. |
|
零点输出 Zero Output |
±0.2 % F.S. |
|
滞后 Hysteresis |
0.2% F.S. |
|
蠕变(30分钟) Creep(30min) |
0.2% F.S. |
|
温度灵敏度漂移 TC SANP |
0.1% F.S. / ºC |
|
零点温度漂移 TCO |
0.1 % F.S. / ºC |
|
输入阻抗 Input Impedence |
380 ±10Ω |
|
输出阻抗 Output Impedence |
350 ± 10Ω |
|
绝缘电阻 Insulation Resistance |
≥2000MΩ/50V DC |
|
温度补偿范围Temperature Compensation Range |
- 10ºC ~ 60 ºC |
|
工作温度范围Operating Temperature Range |
- 20 ºC~ 80 ºC |
|
安全过载 Safety Overload |
120 % F.S. |
|
极限过载 Limit Overload |
150 % F.S. |
|
电缆尺寸Cable Size |
4芯屏蔽电缆 Φ 6mm×3000mm |
|
疲劳Tired |
1000 000回 |