

产品名称: 日本NTS动态扭矩传感器 TCR
特点和用途:日本 NTS 扭力传感器 TCR 是一个连续动态高速旋转型扭力传感器,适用于离合器,电机,汽车零部件的扭力检测,日本 NTS 传感器 TCR 因其精度高,高速旋转型扭力检测被广大国内外客户所推出和使用。
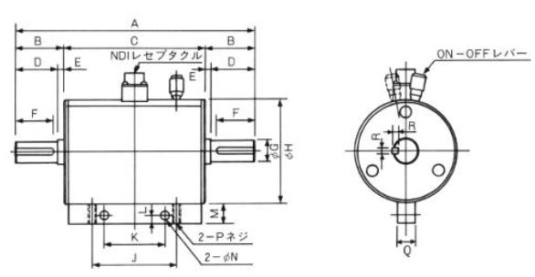
外形尺寸:

|
|
定格容量 |
A |
B |
C |
D |
E |
F |
φG |
φH |
N |
J |
K |
L |
M |
P |
Q |
R |
回転数 |
質量 |
|
TCR-10N |
10 |
203 |
43 |
117 |
38 |
5 |
35 |
18 |
85 |
7 |
70 |
50 |
7 |
17 |
M6 |
15 |
5×5 |
4500 |
2.4 |
|
TCR-20N |
20 |
203 |
43 |
117 |
38 |
5 |
35 |
18 |
85 |
7 |
70 |
50 |
7 |
17 |
M6 |
15 |
5×5 |
4500 |
2.4 |
|
TCR-50N |
50 |
203 |
43 |
117 |
38 |
5 |
35 |
18 |
85 |
7 |
70 |
50 |
7 |
17 |
M6 |
15 |
5×5 |
4500 |
2.4 |
|
TCR-100N |
100 |
240 |
55 |
130 |
50 |
5 |
45 |
32 |
100 |
7 |
90 |
50 |
7 |
17 |
M6 |
15 |
10×8 |
4000 |
4.1 |
|
TCR-200N |
200 |
240 |
55 |
130 |
50 |
5 |
45 |
32 |
100 |
7 |
90 |
50 |
7 |
17 |
M6 |
15 |
10×8 |
4000 |
4.1 |
|
TCR-500N |
500 |
340 |
95 |
150 |
90 |
5 |
85 |
47 |
118 |
9 |
100 |
60 |
8 |
20 |
M8 |
17 |
12×8 |
3000 |
8.3 |
|
TCR-1000N |
1000 |
340 |
95 |
150 |
90 |
5 |
85 |
47 |
118 |
9 |
100 |
60 |
8 |
20 |
M8 |
17 |
12×8 |
3000 |
8.3 |
|
TCR-2000N |
2000 |
360 |
106 |
148 |
100 |
6 |
95 |
63 |
131 |
9 |
100 |
60 |
8 |
20 |
M8 |
17 |
18×7 |
2900 |
12.3 |
技术参数:
|
额定荷载 Rated Load |
0~10Nm / 20Nm / 50Nm / 100Nm / 200Nm / 500Nm / 1000Nm / 2000Nm |
|
输出灵敏度 Output Sensitivity |
1.5mV / V |
|
非直线性 Non-linearity |
0.2 % F.S. |
|
推荐激励电压Recommended excitation voltage |
5~10 V DC/AC |
|
最大激励电压 Max voltage |
15V DC/AC |
|
重复性 Repetitiveness |
0.2% F.S. |
|
零点输出 Zero Output |
±0.2 % F.S. |
|
滞后 Hysteresis |
0.2% F.S. |
|
蠕变(30分钟) Creep(30min) |
0.2% F.S. |
|
温度灵敏度漂移 TC SANP |
0.1% F.S. / ºC |
|
零点温度漂移 TCO |
0.1 % F.S. / ºC |
|
输入阻抗 Input Impedence |
380 ±10Ω |
|
输出阻抗 Output Impedence |
350 ± 10Ω |
|
绝缘电阻 Insulation Resistance |
≥2000MΩ/50V DC |
|
温度补偿范围Temperature Compensation Range |
- 10ºC ~ 60 ºC |
|
工作温度范围Operating Temperature Range |
- 20 ºC~ 80 ºC |
|
安全过载 Safety Overload |
120 % F.S. |
|
极限过载 Limit Overload |
150 % F.S. |
|
电缆尺寸Cable Size |
4芯屏蔽电缆 Φ 6mm×3000mm |
|
疲劳Tired |
1000 000回 |