产品名称: 悬挂式称重测力传感器 DJXB-164
特点和用途:抗偏载能力强,结构稳定,主要应用于工程机械、垃圾车称重等领域。
受力方式示意图:
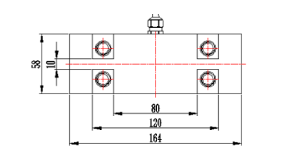
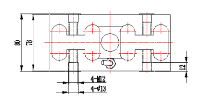
外形尺寸:


技术参数:
额定荷载
Rated Load
| 0~550kg、880kg
|
输出灵敏度
Output Sensitivity
| 2.0 ± 10% mV / V
|
非直线性
Non-linearity
| 0.05% F.S.
|
推荐激励电压Recommended excitation voltage
| 5~10V DC
|
最大激励电压
Max voltage
| 15V DC/AC
|
重复性
Repetitiveness
| 0.05% F.S.
|
零点输出
Zero Output
| ±0.1 % F.S.
|
滞后
Hysteresis
| 0.05% F.S.
|
蠕变(30分钟)
Creep(30min)
| 0.05% F.S./30min
|
温度灵敏度漂移
TC SANP
| 0.05% F.S. / ºC
|
零点温度漂移
TCO
| 0.05% F.S. / ºC
|
输入阻抗
Input Impedence
| 405 ± 10Ω
|
输出阻抗
Output Impedence
| 350 ± 3Ω
|
绝缘电阻
Insulation Resistance
| 〉5000MΩ/100V DC
|
温度补偿范围Temperature Compensation Range
| - 10ºC ~ +40 ºC
|
工作温度范围Operating Temperature Range
| - 30 ºC~ + 70 ºC
|
安全过载
Safety Overload
| 150 % F.S.
|
极限过载
Limit Overload
| 200 % F.S.
|
电缆尺寸
Cable Size
| 4芯屏蔽电缆 Φ 5.2mm × 300mm
|
防护等级
Protection Class
| IP68
|
材质
Material Quality
| 不锈钢
|
接线方式
Cable Color Code
| 输入:绿(+)黑(-) ;反馈:蓝(+)灰(-)
输出:白(+)红(-)
|