欢迎访问
上海狄佳传感科技有限公司
官方网站!
设为首页
|
加入收藏
联系我们
上海狄佳传感科技有限公司
021-20968141
Shanghai Di Jia Sensing Technology Co., Ltd
首页
产品中心
应用场景
关于我们
新闻中心
联系我们
名称
描述
内容
热门关键词:
微型传感器
S型传感器
压力变送器
仪器仪表放大器
进口产品系列
整站搜索:
……
产品详细信息
您所在的位置:
产品中心
PRODUCTS
狄佳传感(上海)产品系列
测力传感器
微型测力传感器
中空环形测力传感器
S型拉压力传感器
圆柱式拉压力传感器
轮辐式拉压力传感器
单点式称重传感器
悬臂式称重传感器
平板式测力传感器
六维力/三维力/二维力传感器
动静态扭矩传感器
脚踏板传感器
张力传感器/轴销式传感器
压电动态力传感器
电磁力称重模块(微克级)
称重传感器/称重模块/工业平台秤
称重传感器
称重模块
工业平台秤/小地磅
高精度称重模块专区(毫克/微克级)
高精度称重专区(毫克级)
高精度称重专区(微克级)
防爆型传感器/仪表
上海狄佳防爆型传感器
美国传力防爆型传感器
美国传力防爆仪表
狄佳传感防爆仪表
定制传感器部分展示(100T-2000T)
大量程定制传感器100T-2000T
轴销式传感器
平板式传感器
夹紧力传感器
轮辐式传感器
柱式传感器
工业平台秤/小地磅/台秤/桌秤
仪器仪表放大器
信号放大器
仪表显示器
仪表记录仪
无线传输模块
位移传感器
压力变送器
进口品牌产品系列
美国Transcell传力产品系列
单悬臂梁传感器
单点式传感器
S型传感器
双剪切梁传感器
轮辐式传感器
柱式传感器
轴销式传感器
扭矩式传感器
仪表放大器
称重模块
美国Honeywell霍尼韦尔传感器
美国Celtron世铨产品系列
德国HBM产品系列
梅特勒托利多产品系列
日本MAT产品系列
诚信经营的一贯宗旨!知客户之所需,供客户之所求,急客户之所想!同样的产品我们的质量更优,同样的质量我们的价格更低,同样的价格我们的服务更好。
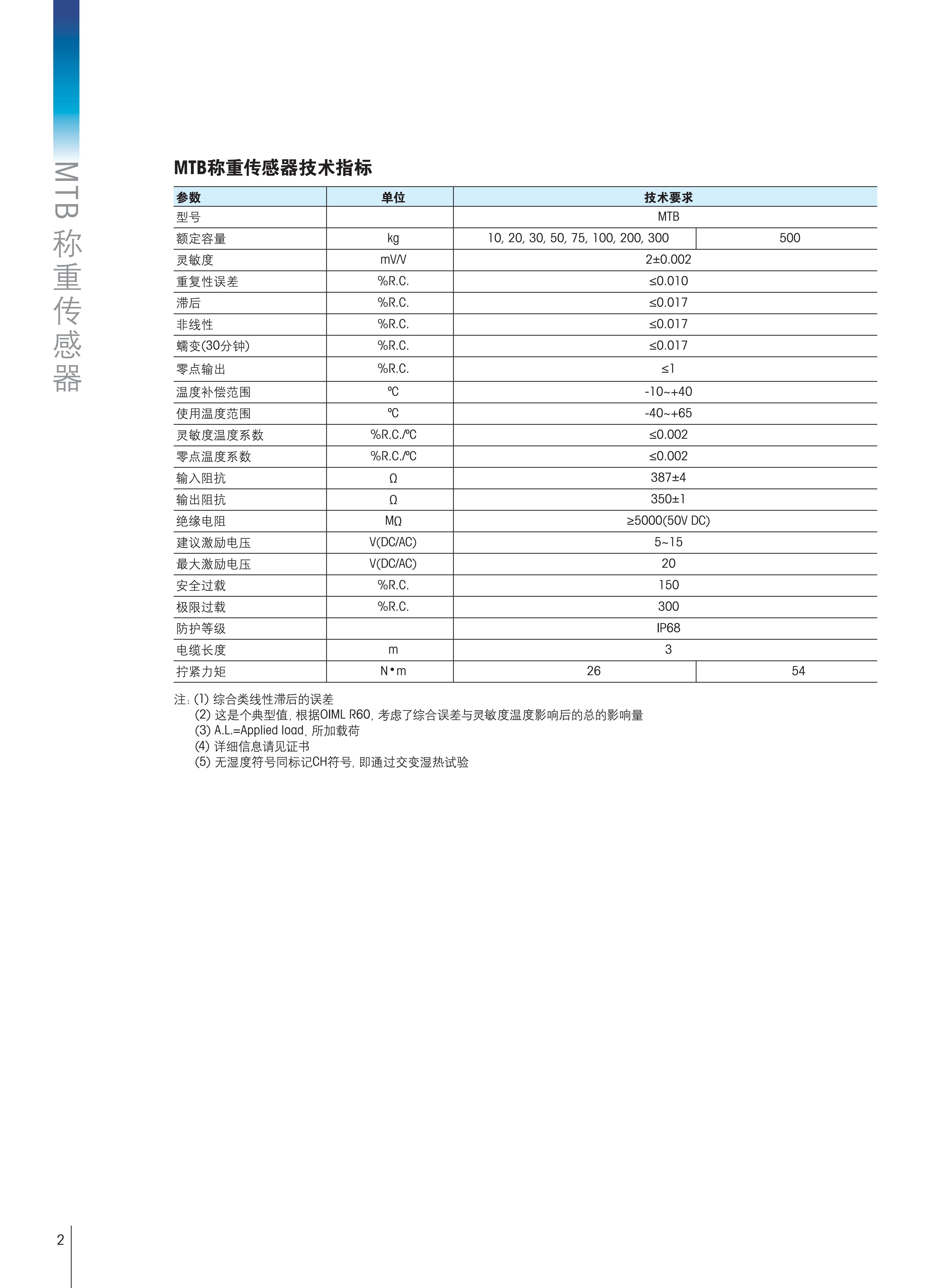
梅特勒托利多MTB 称重传感器
市场价:
0.00
价格:
0.00
上一个:
DJSX-16微型S......
下一个:
HBM U2B拉压力......