

产品名称: 日本NTS称重测力传感器 LCD
特点和用途:小型压缩型测力传感器,适用于安装受限制的测力场所,具有超强的耐腐性,呗广泛的用在注塑机,压装机,压接机等测力试验。
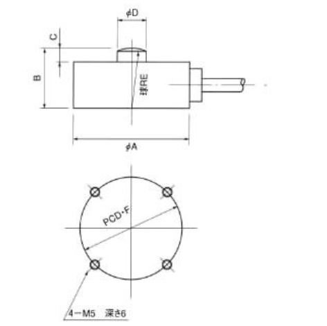
外形尺寸:

|
型式 |
定格容量 |
φA |
B |
C |
φD |
E |
φF |
質量(kg) |
|
LCD-100N |
100N |
52 |
25 |
3 |
6 |
20 |
42 |
0.33 |
|
LCD-200N |
200N |
52 |
25 |
5 |
12 |
30 |
42 |
0.33 |
|
LCD-500N |
500N |
52 |
25 |
5 |
12 |
30 |
42 |
0.33 |
|
LCD-1KN |
1kN |
52 |
25 |
5 |
12 |
30 |
42 |
0.33 |
|
LCD-2KN |
2kN |
52 |
25 |
5 |
12 |
30 |
42 |
0.33 |
|
LCD-5KN |
5kN |
52 |
25 |
5 |
12 |
30 |
42 |
0.33 |
|
LCD-10KN |
10kN |
52 |
25 |
5 |
12 |
30 |
42 |
0.34 |
|
LCD-20KN |
20kN |
58 |
35 |
5 |
12 |
30 |
45 |
0.57 |
技术参数:
|
额定荷载 Rated Load |
0~100N / 200N / 500N / 1KN / 2KN / 5KN / 10KN / 20KN |
|
输出灵敏度 Output Sensitivity |
1.0mV / V |
|
非直线性 Non-linearity |
0.2 % F.S. |
|
推荐激励电压Recommended excitation voltage |
5~10 V DC/AC |
|
最大激励电压 Max voltage |
15V DC/AC |
|
重复性 Repetitiveness |
0.2% F.S. |
|
零点输出 Zero Output |
±0.3 % F.S. |
|
滞后 Hysteresis |
0.1% F.S. |
|
蠕变(30分钟) Creep(30min) |
0.2% F.S. |
|
温度灵敏度漂移 TC SANP |
0.1% F.S. / ºC |
|
零点温度漂移 TCO |
0.1 % F.S. / ºC |
|
输入阻抗 Input Impedence |
380 ±10Ω |
|
输出阻抗 Output Impedence |
350 ± 10Ω |
|
绝缘电阻 Insulation Resistance |
≥2000MΩ/50V DC |
|
温度补偿范围Temperature Compensation Range |
- 10ºC ~ 60 ºC |
|
工作温度范围Operating Temperature Range |
- 20 ºC~ 80 ºC |
|
安全过载 Safety Overload |
120 % F.S. |
|
极限过载 Limit Overload |
150 % F.S. |
|
电缆尺寸Cable Size |
4芯屏蔽电缆 Φ 6mm×3000mm |
|
疲劳Tired |
1000 000回 |