

产品名称: 日本NTS称重测力传感器 LCH
特点和用途:适用于压装机机械测力,传感器底部4个安装孔可与法兰连接安装,从而固定实现冲压试验适用于压装机机械测力,传感器底部4个安装孔可与法兰连接安装,从而固定实现冲压试验。
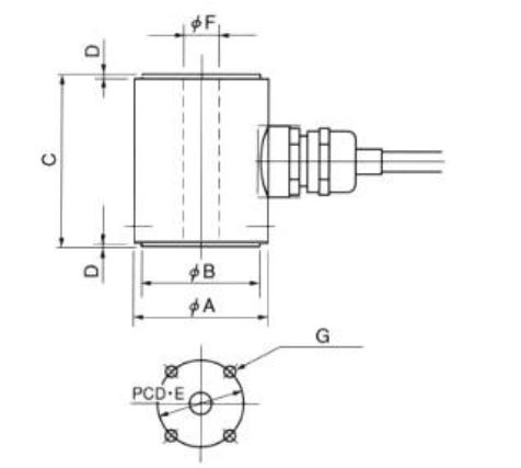
外形尺寸:

|
型式 |
定格容量 |
φA |
φB |
C |
D |
φE |
φF |
G |
質量 |
|
LCH-5KN |
5kN |
40 |
35 |
50 |
1 |
24 |
10 |
2×4-M4深サ8 |
0.3 |
|
LCH-10KN |
10kN |
62 |
55 |
70 |
2 |
44 |
18 |
2×4-M5深サ8 |
0.95 |
|
LCH-20KN |
20kN |
62 |
55 |
70 |
2 |
44 |
18 |
2×4-M5深サ8 |
1 |
|
LCH-30KN |
30kN |
62 |
55 |
70 |
2 |
44 |
18 |
2×4-M5深サ8 |
1 |
|
LCH-50KN |
50kN |
62 |
55 |
70 |
2 |
44 |
18 |
2×4-M5深サ8 |
1 |
|
LCH-100KN |
100kN |
62 |
55 |
80 |
2 |
44 |
* |
2×4-M5深サ8 |
1.3 |
|
LCH-200KN |
200kN |
88 |
80 |
100 |
2 |
60 |
20 |
2×4-M8深サ12 |
2.9 |
|
LCH-300KN |
300kN |
100 |
90 |
120 |
2 |
70 |
20 |
2×4-M8深サ15 |
4.6 |
|
LCH-500KN |
500kN |
134 |
120 |
150 |
2 |
90 |
30 |
2×4-M10深サ16 |
11 |
技术参数:
|
额定荷载 Rated Load |
0~5KN / 10KN / 20KN / 50KN / 100KN / 200KN / 300KN / 500KN |
|
输出灵敏度 Output Sensitivity |
1.0mV / V |
|
非直线性 Non-linearity |
0.3 % F.S. |
|
推荐激励电压Recommended excitation voltage |
5~10 V DC/AC |
|
最大激励电压 Max voltage |
15V DC/AC |
|
重复性 Repetitiveness |
0.2% F.S. |
|
零点输出 Zero Output |
±0.3 % F.S. |
|
滞后 Hysteresis |
0.1% F.S. |
|
蠕变(30分钟) Creep(30min) |
0.2% F.S. |
|
温度灵敏度漂移 TC SANP |
0.1% F.S. / ºC |
|
零点温度漂移 TCO |
0.1 % F.S. / ºC |
|
输入阻抗 Input Impedence |
380 ±10Ω |
|
输出阻抗 Output Impedence |
350 ± 10Ω |
|
绝缘电阻 Insulation Resistance |
≥2000MΩ/50V DC |
|
温度补偿范围Temperature Compensation Range |
- 10ºC ~ 60 ºC |
|
工作温度范围Operating Temperature Range |
- 20 ºC~ 80 ºC |
|
安全过载 Safety Overload |
120 % F.S. |
|
极限过载 Limit Overload |
150 % F.S. |
|
电缆尺寸Cable Size |
4芯屏蔽电缆 Φ 6mm×3000mm |
|
疲劳Tired |
1000 000回 |